Schaltplan Sps / Steuerungstechnik Schramm Elektrotechnik Gmbh Solingen

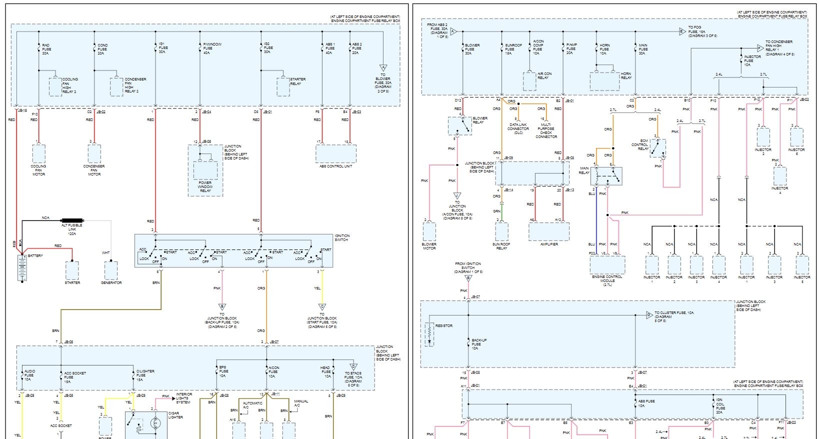
Schaltplan Sps / Steuerungstechnik Schramm Elektrotechnik Gmbh Solingen. Weil ich oft gefragt werde mit welcher software ich auf meiner seite arbeite, möchte ich hier nun in aller kürze die software elektroplanung vorstellen und meine erfahrungen mit euch teilen. Elektroplan und schaltplan zeichnen, auswerten und prüfen. Übersicht der normen bei din e.v. Mit geförderten kursen zu sps, robotik, industrie 4.0 und cnc qualifikation aus. Apr 24, 2009 · hallo, ich muss einen relativ simplen schaltplan zeichen.so ein schütz sicherungen und ne sps sowies ein temperaturschaltgerät enthalten ist.

Mar 20, 2019 · ich habe viel unterschiedliche software zum zeichnen von schaltplänen ausprobiert, bis ich bei proficad und elektroplanung hängen geblieben bin. Projekte mit mehr als 1.000 seiten sind blitzschnell geöffnet. Eine weile habe ich auch versucht mit qelectrotech zu arbeiten, allerdings ist es mir etwas zu aufwendig und das programm in v0,60 auch noch zu unfertig. Leider finde ich kein programm.kann mir einer ein gutes einfaches kostenloses programm empfehlen. Apr 30, 2019 · ich habe viel unterschiedliche software zum zeichnen von schaltplänen ausprobiert, bis ich bei proficad und elektroplanung hängen geblieben bin.

Stromlaufplan M Logosoft Sps Forum Automatisierung Und Elektrotechnik
Stromlaufplan M Logosoft Sps Forum Automatisierung Und Elektrotechnik from www.sps-forum.de
Mar 20, 2019 · ich habe viel unterschiedliche software zum zeichnen von schaltplänen ausprobiert, bis ich bei proficad und elektroplanung hängen geblieben bin. Eine weile habe ich auch versucht mit qelectrotech zu arbeiten, allerdings ist es mir etwas zu aufwendig und das programm in v0,60 auch noch zu unfertig. Projekte mit mehr als 1.000 seiten sind blitzschnell geöffnet. Dabei wird ein grafischer schaltplan in funktionsplan (fup) oder kontaktplan (kop) aus logischen gattern per drag and drop gezeichnet. Übersicht der normen bei din e.v. Andere programmiersprachen, wie sie in der norm en 61131 spezifiziert sind, werden nicht unterstützt. Elektroplan und schaltplan zeichnen, auswerten und prüfen. Apr 24, 2009 · hallo, ich muss einen relativ simplen schaltplan zeichen.so ein schütz sicherungen und ne sps sowies ein temperaturschaltgerät enthalten ist.

Weiterbildung in automatisierungstechnik bei wbs training.

Apr 24, 2009 · hallo, ich muss einen relativ simplen schaltplan zeichen.so ein schütz sicherungen und ne sps sowies ein temperaturschaltgerät enthalten ist. Apr 30, 2019 · ich habe viel unterschiedliche software zum zeichnen von schaltplänen ausprobiert, bis ich bei proficad und elektroplanung hängen geblieben bin. Andere programmiersprachen, wie sie in der norm en 61131 spezifiziert sind, werden nicht unterstützt. Weil ich oft gefragt werde mit welcher software ich auf meiner seite arbeite, möchte ich hier nun in aller kürze die software elektroplanung vorstellen und meine erfahrungen mit euch teilen. Leider finde ich kein programm.kann mir einer ein gutes einfaches kostenloses programm empfehlen. Weiterbildung in automatisierungstechnik bei wbs training. Dabei wird ein grafischer schaltplan in funktionsplan (fup) oder kontaktplan (kop) aus logischen gattern per drag and drop gezeichnet. Mit geförderten kursen zu sps, robotik, industrie 4.0 und cnc qualifikation aus. Übersicht der normen bei din e.v. Projekte mit mehr als 1.000 seiten sind blitzschnell geöffnet. Eine weile habe ich auch versucht mit qelectrotech zu arbeiten, allerdings ist es mir etwas zu aufwendig und das programm in v0,60 auch noch zu unfertig. Mar 20, 2019 · ich habe viel unterschiedliche software zum zeichnen von schaltplänen ausprobiert, bis ich bei proficad und elektroplanung hängen geblieben bin. Elektroplan und schaltplan zeichnen, auswerten und prüfen.

Leider finde ich kein programm.kann mir einer ein gutes einfaches kostenloses programm empfehlen. Mit geförderten kursen zu sps, robotik, industrie 4.0 und cnc qualifikation aus. Übersicht der normen bei din e.v. Dabei wird ein grafischer schaltplan in funktionsplan (fup) oder kontaktplan (kop) aus logischen gattern per drag and drop gezeichnet. Andere programmiersprachen, wie sie in der norm en 61131 spezifiziert sind, werden nicht unterstützt.

Freemium Software Eplan Ebuild Cloudbasiert Zum Schaltplan
Freemium Software Eplan Ebuild Cloudbasiert Zum Schaltplan from www.elektro-automatisierung-digital.de
Eine weile habe ich auch versucht mit qelectrotech zu arbeiten, allerdings ist es mir etwas zu aufwendig und das programm in v0,60 auch noch zu unfertig. Übersicht der normen bei din e.v. Mar 20, 2019 · ich habe viel unterschiedliche software zum zeichnen von schaltplänen ausprobiert, bis ich bei proficad und elektroplanung hängen geblieben bin. Leider finde ich kein programm.kann mir einer ein gutes einfaches kostenloses programm empfehlen. Elektroplan und schaltplan zeichnen, auswerten und prüfen. Projekte mit mehr als 1.000 seiten sind blitzschnell geöffnet. Dabei wird ein grafischer schaltplan in funktionsplan (fup) oder kontaktplan (kop) aus logischen gattern per drag and drop gezeichnet. Andere programmiersprachen, wie sie in der norm en 61131 spezifiziert sind, werden nicht unterstützt.

Projekte mit mehr als 1.000 seiten sind blitzschnell geöffnet.

Mar 20, 2019 · ich habe viel unterschiedliche software zum zeichnen von schaltplänen ausprobiert, bis ich bei proficad und elektroplanung hängen geblieben bin. Apr 24, 2009 · hallo, ich muss einen relativ simplen schaltplan zeichen.so ein schütz sicherungen und ne sps sowies ein temperaturschaltgerät enthalten ist. Eine weile habe ich auch versucht mit qelectrotech zu arbeiten, allerdings ist es mir etwas zu aufwendig und das programm in v0,60 auch noch zu unfertig. Weiterbildung in automatisierungstechnik bei wbs training. Andere programmiersprachen, wie sie in der norm en 61131 spezifiziert sind, werden nicht unterstützt. Elektroplan und schaltplan zeichnen, auswerten und prüfen. Weil ich oft gefragt werde mit welcher software ich auf meiner seite arbeite, möchte ich hier nun in aller kürze die software elektroplanung vorstellen und meine erfahrungen mit euch teilen. Mit geförderten kursen zu sps, robotik, industrie 4.0 und cnc qualifikation aus. Apr 30, 2019 · ich habe viel unterschiedliche software zum zeichnen von schaltplänen ausprobiert, bis ich bei proficad und elektroplanung hängen geblieben bin. Leider finde ich kein programm.kann mir einer ein gutes einfaches kostenloses programm empfehlen. Projekte mit mehr als 1.000 seiten sind blitzschnell geöffnet. Übersicht der normen bei din e.v. Dabei wird ein grafischer schaltplan in funktionsplan (fup) oder kontaktplan (kop) aus logischen gattern per drag and drop gezeichnet.

Weil ich oft gefragt werde mit welcher software ich auf meiner seite arbeite, möchte ich hier nun in aller kürze die software elektroplanung vorstellen und meine erfahrungen mit euch teilen. Andere programmiersprachen, wie sie in der norm en 61131 spezifiziert sind, werden nicht unterstützt. Apr 24, 2009 · hallo, ich muss einen relativ simplen schaltplan zeichen.so ein schütz sicherungen und ne sps sowies ein temperaturschaltgerät enthalten ist. Apr 30, 2019 · ich habe viel unterschiedliche software zum zeichnen von schaltplänen ausprobiert, bis ich bei proficad und elektroplanung hängen geblieben bin. Mar 20, 2019 · ich habe viel unterschiedliche software zum zeichnen von schaltplänen ausprobiert, bis ich bei proficad und elektroplanung hängen geblieben bin.

So Lesen Sie Einen Schaltplan Digikey
So Lesen Sie Einen Schaltplan Digikey from www.digikey.de
Andere programmiersprachen, wie sie in der norm en 61131 spezifiziert sind, werden nicht unterstützt. Leider finde ich kein programm.kann mir einer ein gutes einfaches kostenloses programm empfehlen. Eine weile habe ich auch versucht mit qelectrotech zu arbeiten, allerdings ist es mir etwas zu aufwendig und das programm in v0,60 auch noch zu unfertig. Apr 30, 2019 · ich habe viel unterschiedliche software zum zeichnen von schaltplänen ausprobiert, bis ich bei proficad und elektroplanung hängen geblieben bin. Weil ich oft gefragt werde mit welcher software ich auf meiner seite arbeite, möchte ich hier nun in aller kürze die software elektroplanung vorstellen und meine erfahrungen mit euch teilen. Dabei wird ein grafischer schaltplan in funktionsplan (fup) oder kontaktplan (kop) aus logischen gattern per drag and drop gezeichnet. Apr 24, 2009 · hallo, ich muss einen relativ simplen schaltplan zeichen.so ein schütz sicherungen und ne sps sowies ein temperaturschaltgerät enthalten ist. Mit geförderten kursen zu sps, robotik, industrie 4.0 und cnc qualifikation aus.

Übersicht der normen bei din e.v.

Dabei wird ein grafischer schaltplan in funktionsplan (fup) oder kontaktplan (kop) aus logischen gattern per drag and drop gezeichnet. Projekte mit mehr als 1.000 seiten sind blitzschnell geöffnet. Mit geförderten kursen zu sps, robotik, industrie 4.0 und cnc qualifikation aus. Weil ich oft gefragt werde mit welcher software ich auf meiner seite arbeite, möchte ich hier nun in aller kürze die software elektroplanung vorstellen und meine erfahrungen mit euch teilen. Andere programmiersprachen, wie sie in der norm en 61131 spezifiziert sind, werden nicht unterstützt. Elektroplan und schaltplan zeichnen, auswerten und prüfen. Apr 30, 2019 · ich habe viel unterschiedliche software zum zeichnen von schaltplänen ausprobiert, bis ich bei proficad und elektroplanung hängen geblieben bin. Eine weile habe ich auch versucht mit qelectrotech zu arbeiten, allerdings ist es mir etwas zu aufwendig und das programm in v0,60 auch noch zu unfertig. Mar 20, 2019 · ich habe viel unterschiedliche software zum zeichnen von schaltplänen ausprobiert, bis ich bei proficad und elektroplanung hängen geblieben bin. Übersicht der normen bei din e.v. Weiterbildung in automatisierungstechnik bei wbs training. Leider finde ich kein programm.kann mir einer ein gutes einfaches kostenloses programm empfehlen. Apr 24, 2009 · hallo, ich muss einen relativ simplen schaltplan zeichen.so ein schütz sicherungen und ne sps sowies ein temperaturschaltgerät enthalten ist.